A6V斜軸式變量泵/馬達說明書
A6V斜軸式變量泵/馬達
A6V斜軸式變量泵/馬達|

型號說明

性能參數

結構簡圖

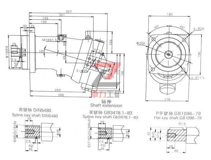
外形尺寸(A6V107)

卓力工礦是國內知名A6V斜軸式變量泵/馬達生產廠家,有豐富的經驗為客戶提供高品質的A6V斜軸式變量泵/馬達及完善的售后服務,如果您想了解最新A6V斜軸式變量泵/馬達價格或者更詳細信息,歡迎撥打服務熱線:
13280082001 18605374511.或者聯系在線客服:
點擊這里、立刻咨詢;我們攜程為您服務!
常見問題:A6V斜軸式變量泵/馬達發貨時間? A6V斜軸式變量泵/馬達售后保障? A6V斜軸式變量泵/馬達訂貨需要提供什么信息?
產品標簽:A6V斜軸式變量泵/馬達| |
上一篇:A2FEW6.1系列內藏式定量泵/馬達
下一篇:低速大扭矩馬達

鐵路設備
運轉設備
鉆采設備
噴漿支護
提升設備
防爆電器
礦用電氣
通防設備
救援設備
化工設備
路面建筑
園林機械
節能環保設備
水利機械
泵類
電機





















